Я предлагаю очень простую систему, которая предусматривает автоматическую подачу воды и поддержание заданной температуры в баке (рис. 1). Автоматическая подача воды осуществляется с помощью насоса, а температура воды поддерживается двумя ТЭНами.
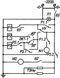
При отсутствии воды в емкости замыкается верхний по схеме (рис. 2) контакт нижнего уровня (НУ), включается пускатель Р1 — запускается насос М1. После заполнения емкости водой размыкаются контакты верхнего уровня (ВУ), отключается пускатель Р1 — выключается насос.
Для автоматического управления режимом температуры используется контактный термометр ЭКТ-1 со шкалой температур от 0 до 100°С. При включении ЭКТ через нормально замкнутые контакты Р2.1 включается пускатель Р3, запуская в работу ТЭНы. Когда температура достигает заданной величины (например, 40°С), то замыкаются контакты ЭКТ заданного положения (40°С), включая при этом промежуточное реле Р2, которое размыкает контакты Р2.1. При этом отключается пускатель Р3, выключающий ТЭНы.
В данной схеме датчик нижнего уровня (НУ) несет дополнительную функцию датчика "сухого хода", то есть при отсутствии воды в емкости ТЭНы в сеть не включатся.
Для того чтобы поддерживалась относительно постоянная температура воды в емкости, ЭКТ настраивается так, чтобы разница температур между верхним и нижним пределами составляла около 5°С. Например, если на верхнем уровне 40°С, то на нижнем — 35°С. Термометр ЭКТ дает возможность регулировать температуру воды в емкости в зависимости от температуры окружающей среды.
В емкости датчик ЭКТ находится выше ТЭНов (рис. 1), давая погрешность при определении температуры воды. Для того чтобы датчик показывал истинную температуру воды в емкости, ее необходимо перемешивать. Для перемешивания предлагается использовать любой электродвигатель с насадкой типа "пропеллер". Смеситель М2 включается параллельно ТЭНам через "шаговый" выключатель, который уменьшает частоту включения смесителя. Работа смесителя ускоряет равномерное нагревание воды в емкости, экономя электроэнергию.
Подбор пускателей Р1 и Р3 происходит в зависимости от мощностей насоса и ТЭНов. Для датчиков верхнего и нижнего уровней используются микропереключатели и "поплавковая" система. Кроме того, последняя показывает уровень воды в емкости.
Журнал «САМ» №8, 1998 год


