Съемник пальца рессоры
При техническом обслуживании задней подвески возникают трудности с разборкой пальца переднего кронштейна рессоры, связанные с извлечением сферических шайб из отверстия кронштейна. Инструкция по ремонту рекомендует выбить палец рессоры с шайбами после того, как будут отвинчены гайки. Но делать это нужно чрезвычайно осторожно, так как от ударов может быть погнут палец, испорчена резьба на нем, деформированы кронштейн или сферические шайбы.
Этот узел можно разобрать без применения сильных ударов с помощью приспособления (рис 1), о котором в свое время рассказал Г. Мерзляков из г. Ревды в журнале «За рулем» (№6, 1976 г.). Установка этого приспособления на автомобиль для снятия пальца рессоры показана на рис. 2.
Работают с приспособлением так: отвинчивают обе гайки пальца — наружную и внутреннюю, смачивают снаружи сферическую шайбу керосином или каким-либо составом для удаления ржавчины. Через выколотку слегка простукивают по наружной сферической шайбе, нанося удары ближе к ее большому диаметру. Затем снаружи на палец одевают приспособление буртиком внутрь и, навинчивая гайку, вытягивают палец со сферическими шайбами из отверстия кронштейна. 6 крайнем случае можно помочь, осторожно постучав по противоположному концу пальца медным или свинцовым молотком.
Перед сборкой этого узла проверьте размер между ушками кронштейна (см. рис. 2). Он должен быть равен 57±1 мм. Деформированные ушки кронштейна нужно поправить, захватив большим разводным ключом.
Затяжку гаек переднего пальца, как и задних гаек пальцев серьги производите равномерно на уже нагруженном автомобиле. Это обеспечит наибольший срок службы резиновых втулок. Момент затяжки 45...60 Нм (4,5...6 кгс-м).
Гайки стремянок окончательно подтяните тоже при полной нагрузке кузова автомобиля. Момент затяжки — 45...55 Нм (4,5...5,5 кгс м). Перетяжка недопустима, так как влечет деформацию гнезда под подшипник в балке заднего моста.
У кого нет шайб
И. Натчук из Тюмени в №11 журнала «За рулем» за 1988г. предлагал тем, у кого нет новых противоскрипных шайб, вырезать из транспортерной ленты квадрат 40x40 мм, в середине которого поставить заклепку (или болт). Она войдет в отверстие на листе рессоры и таким образом зафиксирует прокладку. Шайбы, сделанные из боковины отслужившей свое автомобильной шины, получаются ничуть не хуже. Только выбирайте боковину с текстильным кордом и потоньше.
Стандартную на самодельную
Если автомобиль не оборудован тягово-сцепным устройством, то прицепить трос для буксировки другого автомобиля некуда. Руководство по эксплуатации рекомендует цеплять трос за правую серьгу рессоры, но делать это неудобно и при движении машины трос перетирается. Проще укреплять трос для буксировки, если: заменить стандартную щеку серьги на самодельную (рис. 3) В ее основе — конструкция, которую предложил В. Овсянников в №6 журнала «За рулем» за 1984 г, но автором существенно увеличен диаметр отверстия под трос, что полностью себя оправдало.
Модернизируем подвеску
Иногда «корма» автомобиля оседает настолько, что требуется дорогостоящий ремонт с заменой рессор. Проседание подвески является следствием как перегрузок автомобиля, так и недостаточно качественного материала рессор. Естественно желание автолюбителя модернизировать подвеску, чтобы реже менять рессоры. Иногда рекомендуют просевшие рессоры восстанавливать методом нагартовки, о технологии которой можно прочитать в журнале «За рулем» (№10—1989 г., №2—1992 г., №10—1992 г., №3—1993 г., №10—1993 г.). Из моей практики, нагартованные рессоры служат только один сезон.
Простое усиление рессор дополнительным подкоренным или обрезанным коренным листом нельзя считать положительной мерой из-за увеличения вертикальной и угловой жесткости, что качественно и количественно меняет характеристику подвески автомобиля в целом. Ухудшается его устойчивость на дороге, возникают динамические нагрузки на кузов, вызывая его деформацию и разрушение. Поэтому такую конструкцию повторять не рекомендуют.
Существует, однако, способ улучшить характеристику задней подвески «Москвича», делая ее сходной с подвеской грузового автомобиля. Там при определенном утяжелении включаются в работу подрессорники, а жесткость подвески прогрессивно увеличивается, не меняя принципиально схемы нагружения кузова. У автомобиля при этом не ухудшается устойчивость, не увеличивается склонность к заносу. Подрессорники включаются в работу плавно и динамические нагрузки на кузов увеличиваются ненамного.
При изготовлении подрессорников в рессору — лучше новую — через резиновые буферы устанавливают дополнительно второй — подкоренной — и третий лист от старой рессоры (рис. 4). Можно ограничиться только одним подкоренным листом. Но тут есть небольшая тонкость, связанная с параболическим профилем рессорного листа.
Нижний, сопрягаемый с накладкой стремянок, рессорный лист должен иметь прямоугольный профиль и, стало быть, сюда надо ставить шестой лист из новой рессоры. Порядок листов в рессоре с подрессорником теперь будет следующий: первый (коренной), второй, третий, четвертый, пятый — это листы от новой рессоры, второй, третий — от старой рессоры, шестой—от новой рессоры. В противном случае деформируется накладка стремянок, повторяя параболический профиль листа.
Последовательность операций по изготовлению и установке рессоры следующая:
1. Разберите новую рессору. Будьте внимательны —это опасная операция. Используйте большие тиски, как указанно в инструкции по ремонту.
2. Соберите листы рессоры с подрессорником в последовательности, указанной выше, и стяните сначала в тисках, а потом болва длинным центральным болтом.
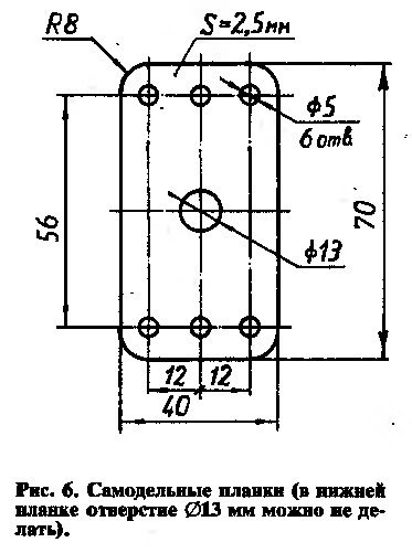
3. Изготовьте и установите два новых хомуте. Возможный вариант для рессоры 408-2912012-03 показан на рисунках 5 и 6.
4. В отверстия для противоскрипных шайб дополнительного подкоренного листе (подрессорника) установите резиновые буферы от нижнего рычага передней подвески «Москвиче» или любые другие подходящие. Обрежьте их так, чтобы они выступали над листом на 23...25 мм.
5. Установите рессору на автомобиль, предварительно заменив стремянки на более длинные. (Хорошо подходят стремянки, имеющие номер по каталогу 432-2912408-А, от «универсала» или «каблука».) Материалом всех самодельных деталей, чертежи которых здесь приведены, может быть любая сталь.
Журнал «САМ» №4, 1995 год






