Разметьте на досках и выпилите все необходимые детали. Наилучшие результаты достигаются при использовании полотна Т101АО для сверхтонких распилов. Разметку лучше производить мягким карандашом. При наличии сверхтонкого полотна ширина пропила как раз совпадает с толщиной карандашной линии, что повышает точность. Отшлифуйте кромки деталей шлифовальной машинкой или наждачной бумагой.
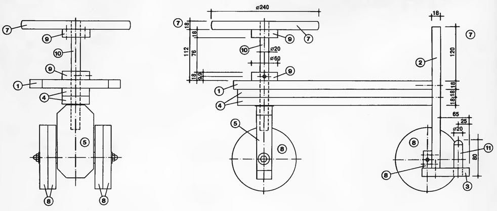
Разложив все готовые детали на рабочем столе, принимайтесь за сборку. Сначала склейте обе половинки ребра жесткости (4) и приклейте его под сиденье (1). Затем приклейте и приверните шурупами к заднему торцу сиденья заднюю стенку-спинку так, чтобы она выступала над сиденьем на 120 мм. Шурупы утапливаются в предварительно рассверленные 10-миллиметровые отверстия на глубину 6 мм, а в отверстия вставляются деревянные заглушки. При креплении нижней пластины (3), приворачиваемой к спинке снизу, шурупы можно не утапливать. Там, где шурупы приворачиваются близко к краю детали, например, при установке брусков осевых подшипников (6) — надо предварительно просверлить базовые отверстия, чтобы доска не расщепилась.
При рассверливании отверстий под рулевую трубку и колесные оси необходима сверлильная стойка и хорошо заточенные сверла, без чего трудно добиться необходимой точности и качества.
Маленькая хитрость в операции приклеивания шайб к колесам: сначала просверлите в каждой шайбе осевые отверстия, насадите шайбы на стержень и, проклеив, зажмите их струбцинами. В ином случае шайбы неизбежно сдвинутся относительно друг друга.
Рулевая ось вклеивается в поворотный подшипник (5) на глубину примерно 55 мм. Затем ось вставляют в отверстие в сидении, предварительно насадив на нее U-образную шайбу с внутренним диаметром 20 мм.
После этого ось вставляют в нижнюю опорную пяту (9) так, чтобы между ней и сиденьем оставался небольшой зазор. Потом эту пяту приклеивают и дополнительно фиксируют, ввернув в заранее рассверленное отверстие шуруп. Осталось установить верхнюю опорную пяту, руль и задние бруски подшипников. Трактор-самокат практически готов.
Еще одна маленькая хитрость: рулевая ось диаметром 20 мм может после высыхания сделаться тоньше и в соединении ее с поворотным подшипником появится люфт. Чтобы этого избежать, надо при склеивании вставить между контактными поверхностями полоску газетной бумаги. После сушки соединение схватится намертво.
Теперь настало время установки шасси. Алюминиевый пруток, используемый под оси достаточно прочен, а резьба на нем нарезается легко. С одного конца стержня нарезают резьбу такой длины, чтобы можно было посадить колпачковую гайку, зажимающую колесо. После этого на ось сажают колесо и закручивают колпачковую гайку; насаживают U-образную шайбу и вставляют ось в брусок подшипника. С другой стороны подшипника надевают шайбу, колесо, размечают и обрезают стержень. Нарезают соответствующую резьбу и устанавливают второе колесо с колпачковой гайкой. При этом между колесами и шайбами должен оставаться небольшой зазор. Чтобы колеса хорошо вращались, можно натереть оси воском. Прицеп собирают так же.
Поверхности можно красить и лакировать только нетоксичными составами. Колеса мы выкрасили в красный цвет и покрыли лаком, а остальные деревянные поверхности просто натерли защитным составом на основе пчелиного воска. Если трактор предназначен для игры во дворе или на веранде, можно сделать в дополнение к имеющимся колесам колеса из долговечного пластика на стальных осях.
После того, как детали выпилены и подогнаны в размер все их края, торцы и поверхности тщательно шлифуют. Углы деталей нужно скруглить и ошкурить.
Отверстия под рулевую ось сверлят хорошо заточенным перьевым сверлом, строго вертикально. Для достижения необходимой точности нужна сверлильная стойка.
Разметку колес можно сделать с помощью деревянной рейки с двумя вбитыми в нее гвоздями. Затем колеса выпиливают электролобзиком с узким полотном для лекальных/фасонных пропилов.
Колеса должны быть окрашены в сочный красный цвет, а затем покрыты бесцветным лаком. Красить и сушить детали обязательно в проветриваемом помещении. Пользуйтесь нетоксичными составами.
Нарезка резьбы на алюминиевом стержне: стержень зажат в тисках с прокладкой из брусков твердых пород дерева. Плашка сидит на стержне строго перпендикулярно.
Монтаж колес: между колесами, шасси и колпачковой гайкой вставлены U-образные шайбы, обеспечивающие необходимый зазор между этими деталями и легкость хода.
Журнал «САМ» №1, 1998 год












